리니어 가이드 부착 플랫형 에어핸드 AFDPG 시리즈 (동기 복동형) > 리니어 가이드 부착 플랫형 에어핸드 AFDPG 시리즈 (동기 복동형)

본문 바로가기

쇼핑몰 검색

검색

HOME    >   제품정보   >   에어실린더·핸드   >   에어핸드   >   리니어가이드 부착 플랫 형 에어핸드   >   리니어 가이드 부착 플랫형 에어핸드 AFDPG 시리즈 (동기 복동형)

리니어 가이드 부착 플랫형 에어핸드 AFDPG 시리즈 (동기 복동형)

리니어 가이드 부착 플랫형 에어핸드 AFDPG 시리즈 (동기 복동형) 요약정보 및 구매

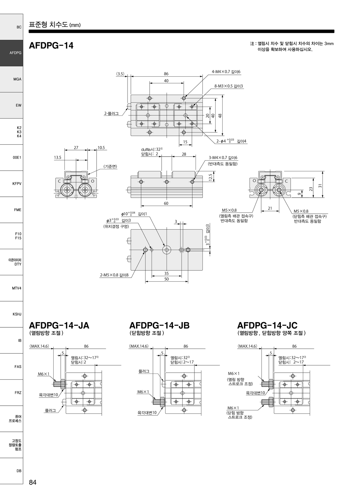
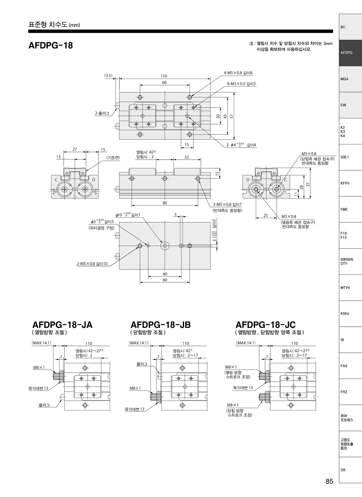
● 실린더 직경 Ø6 ~ Ø25 랙 앤 피니언 기구에 의해 좌우의 레버가 동기화 작동. 리니어 가이드 탑재 정밀도, 강성과 얇은 바디를 실현 더블 피스톤 방식에 의한 높은 파지력.

판매가격 0원
배송비결제 주문시 결제

상품의 재고가 부족하여 구매할 수 없습니다.

Copyright 2017 KOGANEI CORPORATION All rights reserved.