솔레노이드 밸브 100 시리즈 > 솔레노이드 밸브 100 시리즈

본문 바로가기

쇼핑몰 검색

검색

HOME    >   제품정보   >   에어밸브   >   솔레노이드 밸브 직동형   >   솔레노이드 밸브 100 시리즈   >   솔레노이드 밸브 100 시리즈

솔레노이드 밸브 100 시리즈

솔레노이드 밸브 100 시리즈 요약정보 및 구매

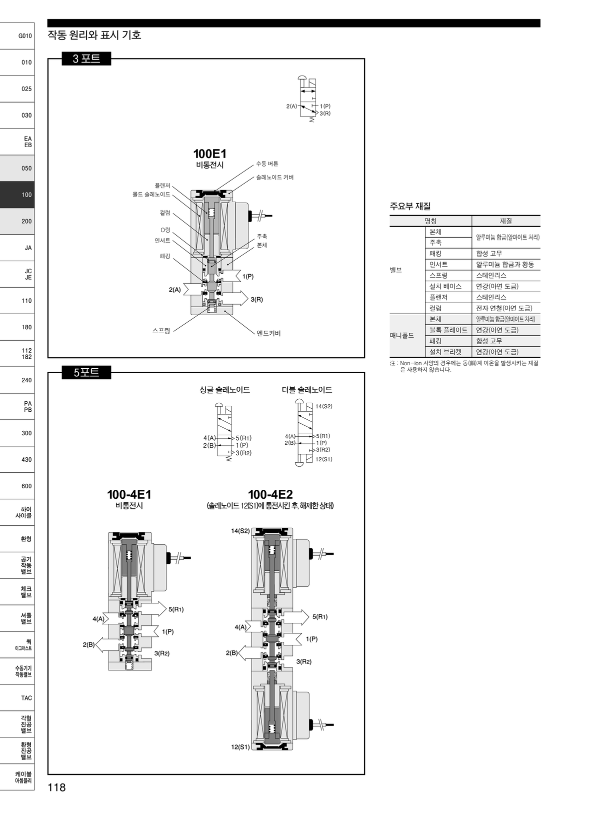
● 실린더 직경 20 ~ 50mm의 실린더의 구동 제어 나 저압 사양 액츄에이터에 적합한 전자 밸브 . 셀렉터 밸브, 디바이더 밸브 등 다채로운 기능을 발휘합니다.

판매가격 0원
배송비결제 주문시 결제

상품의 재고가 부족하여 구매할 수 없습니다.

Copyright 2017 KOGANEI CORPORATION All rights reserved.